More documentation, further examples for EAL4Labview

I am trying to update an old test-bench-program which controls a linear motor via LabView while measuring signals from a reference-measurement-system and the measurement-system under test (e.g.: IMS). The signals are recorded by a NI-PCI-measurement-card.

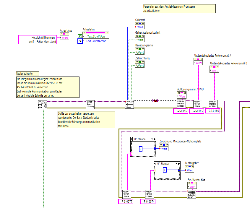
The current Programm is communicating via RS232 as well as the digital I/Os from the PCI-Card. Now our goal is, to handle the communication via Ethernet instead.

I have found the EAL4Labview-Toolbox and installed Version 2.4.0.1 but the documentation is a little bit sparse. The given Examples are also poorly explained. Therefore it is hard for me to understand how to set up a working master communication and how to read/write parameters properly.

Is there an extensive documentation for EAL4Labview?
Maybe there is a Pro in this forum who can support me with a better/bigger example of the Toolbox in LabVIEW.

Thanks for your help!
Timo

ย 

ย 

Current_VI_2.PNG
67.95KB
Current_VI_1.PNG
42.29KB
1 reply